Product Summary
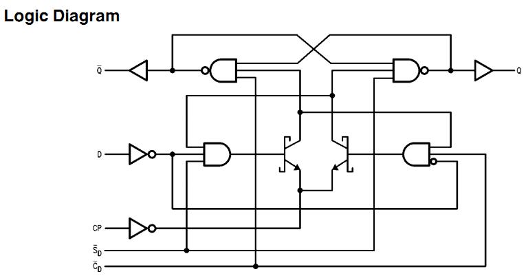
The 54F74FMQB is a dual D-type flip-flop with Direct Clear and Set inputs and complementary (Q, Q) outputs. Information at the 54F74FMQB input is transferred to the outputs on the positive edge of the clock pulse. Clock triggering occurs at a voltage level of the clock pulse and is not directly related to the transition time of the positive-going pulse. After the Clock Pulse input threshold voltage has been passed, the 54F74FMQB Data input is locked out and information present will not be transferred to the outputs until the next rising edge of the Clock Pulse input.
Parametrics
54F74FMQB absolute maximum ratings: (1)Storage Temperature: -65℃to 150℃; (2)Ambient Temperature under Bias: -55℃to 125℃; (3)Junction Temperature under Bias: -55℃to 175℃; (4)VCC Pin Potential to Ground Pin: -0.5V to 7.0V; (5)Input Voltage: -0.5V to 7.0V; (6)Input Current: -30 mA to 5.0 mA; (7)Voltage Applied to Output in HIGH State (with VCC = 0V) Standard Output: -0.5V to VCC; (8)Current Applied to Output in LOW State (Max) twice the rated: IOL (mA); (9)ESD Last Passing Voltage (Min): 4000V.
Features
54F74FMQB features: (1)Guaranteed 4000V minimum ESD protection.
Diagrams

![]() |
![]() 54F74 |
![]() Other |
![]() |
![]() Data Sheet |
![]() Negotiable |
|
||||
(China (Mainland))








