Product Summary
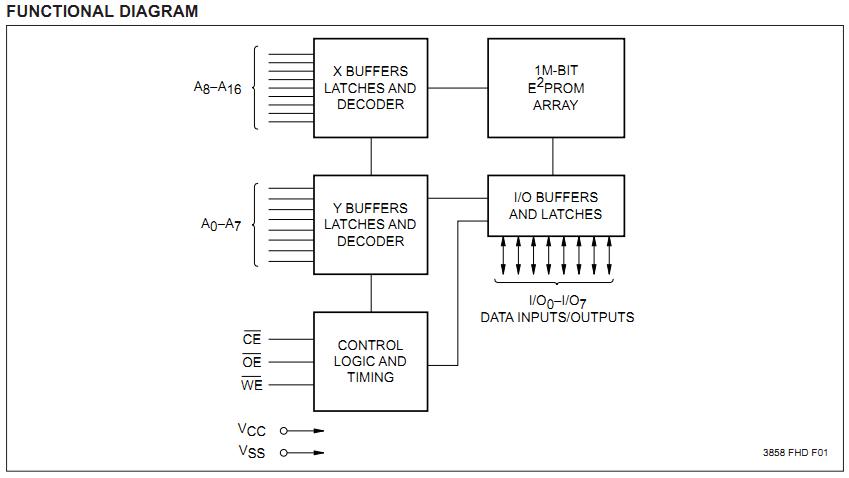
The X28C010KMB-15 is a 128K x 8 E2PROM, fabricated with Xicor’s proprietary, high performance, floating gate CMOS technology. Like all Xicor programmable non-volatile memories the X28C010KMB-15 is a 5V only device. The X28C010KMB-15 features the JEDEC approved pinout for byte-wide memories, compatible with industry standard EPROMs. The X28C010KMB-15 supports a 256-byte page write operation, effectively providing a 19µs/byte write cycle and enabling the entire memory to be typically written in less than 2.5 seconds. The X28C010KMB-15 also features DATA Polling and Toggle Bit Polling, system software support schemes used to indicate the early completion of a write cycle. In addition, the X28C010KMB-15 supports Software Data Protection option.
Parametrics
X28C010KMB-15 absolute maximum ratings: (1)Temperature under Bias: –65 to +135℃; (2)Storage Temperature: –65 to +150℃; (3)Voltage on any Pin with Respect to VSS: –1V to +7V; (4)D.C. Output Current: 5mA; (5)Lead Temperature (Soldering, 10 seconds): 300℃.
Features
X28C010KMB-15 features: (1)Access Time: 120ns; (2)Simple Byte and Page Write: Single 5V Supply; No External High Voltages or VPP Control Circuits; Self-Timed: No Erase Before Write; No Complex Programming Algorithms; No Overerase Problem; (3)Low Power CMOS: Active: 50mA; Standby: 500μA; (4)Software Data Protection: Protects Data Against System Level; (5)Inadvertant Writes; (6)High Speed Page Write Capability; (7)Highly Reliable Direct Write Cell: Endurance: 100,000 Write Cycles; Data Retention: 100 Years; (8)Early End of Write Detection: DATA Polling; Toggle Bit Polling.
Diagrams

![]() |
![]() X28C010 |
![]() Other |
![]() |
![]() Data Sheet |
![]() Negotiable |
|
||||
![]() |
![]() X28C010DI-15 |
![]() Intersil |
![]() IC EEPROM 128KX8 5V CMOS 32-DIP |
![]() Data Sheet |
![]() Negotiable |
|
||||
![]() |
![]() X28C010RI-20 |
![]() Intersil |
![]() IC EEPROM 128KX8 5V CMOS 32-SOIC |
![]() Data Sheet |
![]() Negotiable |
|
||||
![]() |
![]() X28C256 |
![]() Other |
![]() |
![]() Data Sheet |
![]() Negotiable |
|
||||
![]() |
![]() X28C512 |
![]() Other |
![]() |
![]() Data Sheet |
![]() Negotiable |
|
||||
![]() |
![]() X28C512JIZ-12 |
![]() |
![]() IC EEPROM 512KBIT 120NS 32PLCC |
![]() Data Sheet |
![]() Negotiable |
|
||||
(China (Mainland))







